Оборудование для производства мебели Все товары 742 Акции Б/У
info@stanki.by

Ваша корзина

×
Товар
Наименование
Артикул
Кол-во
Цена

Сумма: 0 $

Оформить заказ

loading

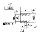
Ключ – эти и многие другие запчасти вы можете купить в интернет-магазине КАМИ прямо сейчас.

Товары в наличии доступны для покупки через корзину, либо в 1 клик, модели не в наличии можно заказать через кнопку «Узнать цену».

Технический специалист
Задайте вопрос техническому специалисту

Обязательное поле

Введите латиницей в виде _____@____.__

Обязательное поле

Обязательное поле

Все поля обязательны для заполнения

Другие товары раздела
Сравнение товаров
Сравнение
×